• 周日. 10 月 12th, 2025

pwm双极性调制电路图_单极性与双极性PWM模式介绍 – 信号处理电子电路图

3 月 29, 2019

  PWM控制及SPWM波的生成

  1、PWM控制的基本原理

  PWM(PulseWidthModulaTIon)控制就是对脉冲的宽度进行调制的技术。即通过对一系列脉冲的宽度进行调制,来等效地获得所需要的波形。PWM控制技术在逆变电路中的应用最为广泛,对逆变电路的影响也最为深刻,PWM控制技术在逆变电路中的应用也最具代表性。

  面积等效原理是PWM控制技术的重要理论基础,即在采样控制中,冲量相等而形状不同的窄脉冲加在具有惯性的同一环节上时,其效果基本相同。其中,冲量指的是窄脉冲的面积;效果基本相同是指环节的输出响应波形基本相同。如图1.1.1(1)所示,三个窄脉冲形状不同,但是它们的面积都等于1,当它们分别加在如图1.1.1(2)(a)所示的R-L电路上时,并设其电流i(t)为电路的输出,则其输出响应波形基本相同且如图1.1.1(2)(b)所示。

pwm双极性调制电路图
pwm双极性调制电路图

  2、SPWM法的基本原理

  脉冲幅值相等而脉冲宽度按正弦规律变化而正弦波等效的PWM波称为SPWM(sinusoidalPWM)波形。

pwm双极性调制电路图

  如图1.1.2所示,把正弦半波分成N等份,就可以把正弦半波看成是由N个彼此相连的脉冲序列所组成的波形,这些脉冲宽度都等于N/?,但幅值不等,且脉冲顶部不是水平直线,而是按正弦规律变化的曲线。如果把这些脉冲序列用相同数量的等幅值而不等宽的矩形脉冲来代替,使矩形脉冲的中点和相应的正弦波部分中点重合,且使矩形脉冲和相应的正弦波部分面积相等,则可得图所示的矩形脉冲序列,这就是SPWM波形。

  3、规则采样法

  SPWM的控制就是根据三角载波与正弦调制波的交点来确定逆变器功率开关器件的通断时刻。规则采样法是一种应用较广的工程实用方法,一般采用三角波作为载波,其原理就是用三角波对正弦波进行采样得到阶梯波,再以阶梯波与三角波的交点时刻控制开关器件的通断,从而实现SPWM法。当三角波只在其顶点(或底点)位置对正弦波进行采样时,由阶梯波与三角波的交点所确定的脉宽,在一个载波周期(即采样周期)内的位置是对称的,这种方法称为对称规则采样其原理如图1.1.3所示。

pwm双极性调制电路图

  单极性和双极性PWM控制逆变电路分析

  电路如图1.2所示,该电路工作时,1V和2V通断互补,3V和4V也通断互补,如在ou正半周,1V导通,2V关断,3V和4V交替通断,且负载电流比电压滞后,在电压正半周,电流有一段区间为正,一段区间为负。在ou的负半周,让2V保持通态,1V保持断态,3V和4V交替通断,负载电压ou可以得到-dU和零两种电平。

pwm双极性调制电路图

  1、单极性PWM控制方式

  如图1.2.1所示,调制信号ru为正弦波,载波cu在ru的正半周为正极性的三角波,在ru的负半周为负极性的三角波。a)在ru的正半周时,1V保持通态,2V保持断态,当ru》cu时,使4V导、3V关断,ou=dU。当ru《cu时,使4V关断、3V导通,ou=0。b)在ru的负半周时,1V保持断态,2V保持通态。当ru《cu时,使3V导通、4V关断,ou=-dU。当ru》cu时,使3V关断、4V导通,ou=0。

pwm双极性调制电路图

  1.1单极性PWM控制方式

  如图1.2.1所示,调制信号ru为正弦波,载波cu在ru的正半周为正极性的三角波,在ru的负半周为负极性的三角波。a)在ru的正半周时,1V保持通态,2V保持断态,当ru》cu时,使4V导、3V关断,ou=dU。当ru《cu时,使4V关断、3V导通,ou=0。b)在ru的负半周时,1V保持断态,2V保持通态。当ru《cu时,使3V导通、4V关断,ou=-dU。当ru》cu时,使3V关断、4V导通,ou=0。

  1.2双极性PWM控制方式

  如图1.2.2所示,在调制信号ru和载波信号cu的交点的时刻控制各个开关器件的通断。

  a)在ru的半个周期内,三角波载波有正有负,所得的PWM波也有正有负,在ru的一个周期内,输出的PWM波只有±dU两种电平。b)在ru的正负半周,对各个开关器件的控制规律相同。当ru》cu时,1V和4V导通,2V和3V关断,这时如果oi》0,则1V和4V导通,如果oi《0,则1VD和4VD导通,但不管那种情况都是ou=dU。当ru《cu时,2V和3V导通,1V和4V关断,这时如果oi《0,则2V和3导通,如果oi》0,则2VD和3VD导通,但是不管哪种情况都是ou=-dU。

pwm双极性调制电路图

  单极性与双极性PWM模式

  1.单极性PWM模式

  产生单极性PWM模式的基本原理如图6.2所示。首先由同极性的三角波载波信号ut。与调制信号ur,比较(图6.2(a)),产生单极性的PWM脉冲 (图6.2(b));然后将单极性的PWM脉冲信号与图6.2(c)所示的倒相信号UI相乘,从而得到正负半波对称的PWM脉冲信号Ud,如图 6.2(d)所示。

pwm双极性调制电路图

  2.双极性PWM模式

  双极性PWM控制模式采用的是正负交变的双极性三角载波ut与调制波ur,如图6.3所示,可通过ut与ur,的比较直接得到双极性的PWM脉冲,而不需要倒相电路。

pwm双极性调制电路图

  与单极性模式相比,双极性PWM模式控制电路和主电路比较简单,然而对比图6.2(d)和图6.3(b)可看出,单极性PWM模式要比双极性PWM模式输出电压中、高次谐波分量小得多,这是单极性模式的一个优点。

  单极性调制方式的特点是在一个开关周期内两只功率管以较高的开关频率互补开关,保证可以得到理想的正弦输出电压:另两只功率管以较低的输出电压基波频率工作,从而在很大程度上减小了开关损耗。但又不是固定其中一个桥臂始终为低频(输出基频),另一个桥臂始终为高频[载波频率),而是每半个输出电压周期切换工作,即同一个桥臂在前半个周期工作在低频,而在后半周则工作在高频,这样可以使两个桥臂的功率管工作状态均衡,对于选用同样的功率管时,使其使用寿命均衡,对增加可靠性有利。

  双极性调制方式的特点是4个功率管都工作在较高频率(载波频率),虽然能得到正弦输出电压波形,但其代价是产生了较大的开关损耗。

  有限双极性控制ZVZCSPWM全桥变换器

  1、ZVZCS PWM全桥电路有限双极性控制过程分析

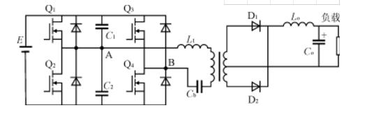
  有限双极性控制ZVZCS PWM全桥电路功率部分如图1所示。Q1~Q4四个功率管(内带续流二极管)组成一个全桥电路。其中,Q1、Q2组成超前桥臂,两端分别并联有吸收电容C1、C2,用来实现Q1、Q2的ZVS。L1为高频变压器的漏感。Cb为隔直电容,用来实现滞后臂(由Q3、Q4组成)的ZCS。

  pwm双极性调制电路图

  图1 ZVZCSPWM全桥电路示意图

  在有限双极性方法控制下,Q1~Q4的驱动时序见图2。其中ug1、ug2为脉宽可调的定频变宽脉冲;ug3、ug4为互补方波,频率、脉宽固定。当然考虑到直通的问题,ug3、ug4不能同时为1,要错开一个固定的死区时间。ug1、ug4的上升沿(表示Q1、Q4开始导通)一致,ug2、ug3的上升沿一致。uAB表示加在隔直电容及变压器两端的电压。由于超前桥臂并联电容的存在,变压器端电压在下降时不会突然到零,而是有个过渡过程,其时间取决于并联电容的大小及负载电流等条件。ip为变压器绕组电流。ucb为隔直电容Cb上的电压,其幅值取决于Cb大小及其它条件,Cb越小,ucb幅值越大,ZCS实现得越好,但同时开关管电压应力又增大,因此Cb不能太小,一般要让ucb最大值小于直流输入电压的10%。

  pwm双极性调制电路图

  图2 全桥电路有限双极性控制时序及各变量响应图

  电路工作过程分析如下:

  1)t0时刻Q1、Q4同时导通,变压器原边电流ip开始上升,流向是从Q1到L1、变压器、Cb、Q4。功率从原边流向副边,同时隔直电容Cb上的电压开始上升。为了简化分析,暂不考虑变压器的励磁电流和副边电流Io的波动,因此变压器原边电流ip(t)为

  ip(t)=Ipo=Io/n(1)

  式中:n为变压器原副边匝比。

  当然,实际电路中由于副边整流二极管的反向恢复过程,ip(t)上升沿有一个尖峰,见图2。

  Cb两端电压ucb(t)为

  ucb(t)=-ucbp(2)

  式中:ucbp为电容Cb上最大电压。

  2)在t1时刻Q1关断,Q1的关断是ZVS关断,原边电流ip通过C1(充电)、C2(放电)继续按原方向流动。C2经过一段时间的放电,在t12时刻C2上的电压降到零,Q2上的反并联二极管开始导通续流。此阶段电容C2两端电压uc2(t)变化过程为

  uc2(t)=Ipot/(C1+C2)(3)

  并有

  t12-t1=E(C1+C2)/Ipo(4)

  式中:E为直流输入电压。

  3)由于Cb上的电压作用,在t2时刻环流衰减到零,原边电流变化过程为

  ip(t)=Ipo-ucbpt/L1(5)

  该状态持续时间(即环流时间)为

  t2-t12=IpoL1/ucbp(6)

  此时ucb(t)达到最大值UCbp。由式(2)可近似得到

  t2-t0=2UCbpCb/Ipo(7)

  4)在t2~t23时刻,电容Cb上的能量通过变压器漏感对Q2的输出电容充电,由于时间常数很小,可认为该过程响应速度很快,谐振过程很快结束。稳定时Q2两端电压保持为UCbp。

  5)t23时刻Q4关断,显然,由于此时Q4上电压电流均为零,因此Q4是ZVZCS关断。经一个固定的死区时间后,在t3时刻,Q2、Q3同时导通,由于此时Q2两端电压为UCbp,由设计可保证UCbp《10%E,且环流已衰减到零,因此可近似认为Q2是ZVZCS导通。而Q3是硬开关导通,而且Q3导通时其两端电压大小约为直流输入电压大小。而在普通硬开关工作方式下Q3导通时其端电压是直流输入电压的一半,因此ZVZCS控制模式下Q3导通时输出电容上的能量损耗反而比普通硬开关状态下大,这是这种方法最大的缺点。为了减轻该缺点所带来的不利因素,Q3、Q4可选输出电容较小的功率管如IGBT。

  6)在t3时刻之后电路工作过程和t0~t3时类似,这里就不详细分析了。

  2、全范围实现ZVS和ZCS的约束条件

  由式(2)可以看到,在占空比一定时,隔直电容Cb越小,UCbp越大,由式(6)可看到,变压器漏感越小、ucbp越大,则环流时间越短,因而ZCS实现得越充分。将式(7)代入式(6),并设t12-t0=DT/2(D为占空比,T为开关周期),则有

  t2-t12=4CbL1/DT(8)

  可见在电路参数固定的情况下,环流时间是一个固定值,不依赖于负载。实验也表明,适当减小开关频率,从而使DT变大,可使环流时间t2-t12减小,有利于ZCS的实现。

  由式(4)可看到C1、C2越大,超前桥臂由导通转截止后,C2上电压降到零的过渡时间越长,因而ZVS实现得越好。而且负载越轻(Ipo越小),过渡时间越长。而移相控制由于超前桥臂上下两个开关管的导通基本是互补的,因此在轻载时很难实现开关管的ZVS导通。而相比之下,有限双极性控制方法就显出它的优越性。如当Q1关断后,Q2导通时刻由移相控制时的t12~t3时刻推后到了t3时刻,可以充分保证只有当Q2的续流二极管导通后才使Q2导通,从而保证全范围的ZVS。实验证明,在正确设计好电路参数后,超前桥臂的ZVS实现得相当好。

  3、应用实例

  这种有限双极性控制的ZVZCSPWM全桥变换器,已应用到一种3kW(48V/50A)通信电源模块的设计当中。具体参数为:输入220V/15A;输出56.4V(最大)/53A(最大);开关工作频率60kHz;功率管为IRG4PC50W(高速型IGBT);变压器原副方匝数比为24/4;输出滤波电感40μH;输出滤波电容5000μF。由于没有专用的芯片,因此采用UC3825+CD4042合成所需要的逻辑。原理图如图3所示。

  pwm双极性调制电路图

  图3 有限双极性控制逻辑生成电路实例

  UC3825A是一种峰值电流型控制芯片,在控制环路中加入电流环后,电源具有响应速度快,保护迅速,源效应和负载效应好等优点。模块整机功率因数为0.99,效率90%,重约10kg。该产品已成功运行于某移动通信基站现场。

。 (本文来源网友上传,如有侵权,可联系管理员删除)

版权声明:网站转载的所有的文章、图片、音频视频文件等资料的版权归版权所有人所有。如果本网所选内容的文章作者及编辑认为其作品不宜公开自由传播,或不应无偿使用,请及时联络我们,采取适当措施,避免给双方造成不必要的经济损失。