无线话筒,是由若干部袖珍发射机(可装在衣袋里,输出功率约0.01W)和一部集中接收机组成,每部袖珍发射机各有一个互不相同的工作频率,集中接收机可以同时接收各部袖珍发射机发出的不同工作频率的话音信号。本文主要介绍了六款1.5v电池无线话筒制作方法。
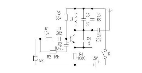
1.5V微型无线话筒(一)
电路工作原理。声音通过话筒经R1、C1;R2、C2构成的高、低频阻容滤波器耦合到三极管的基极。由于三极管的正反馈放大作用,L1、C3构成的高频振荡器的高频信号经C4等效反馈到三极管基极。两信号一同被三极管混频形成高频FM载波(88~108MHz),经C6传输到天线,由天线向周围空间发射FM信号。

微调L1线圈的间隙,可改变FM调频波的频率值。使用时,在88~108MHz之间可任意选取FH的接收频点。
元件L1的选取。用0.6mm漆包线在普通圆珠笔心上绕4圈,三极管用C9018高频小功率管,其他元器件可按图中参数标识即可。
1.5v电池无线话筒制作(二)
介绍的微型无线话筒电路,只用到一只三极管加上阻容元件、话筒头和微型纽扣电池所构成,体积可以做到很小。发射距离可以达到30m左右。电路原理图如下:

电路中,三极管与电感、电容组成高频振荡器,MIC输出的音频信号通过1μF的电容耦合直接对高频振荡器实现频率调制(改变三极管结电容)。10KΩ电阻是三极管的基极偏流电阻,制作中可根据三极管的工作电流大小适当改变其阻值,电流大一些,发射距离会远一些,但电池消耗更快。
三极管选用3DG130G,9018等高频管,电感线圈用直径0.5毫米漆包线在直径5毫米的圆棒上绕7匝,中心抽头经高频耦合电容接天线。天线用约半米长的软导线时,配合调频收音机接收,发射距离可达到30米左右。
电路中的阻容元件按图示取值,MIC是微型驻极体话筒。
1.5v电池无线话筒制作(三)
单声道调频发射电路
图1是较为经典的1.5km单管调频发射机电路。电路中的关键元件是发射三极管,多采用D40,D5O,2N3866等。工作电流为60–80mA。但以上三极管难以购到,且价格较高,假货较多。笔者选用其他三极管实验,相对易购的三极管C2053和C1970是相当不错的,实际视距通信距离大于1.5km。笔者也曾将D40管换成普通三极管8050,工作电流有60–80mA,但发射距离达不到1.5km,若改换成9018等,工作电流更小,发射距离也更短, 电路中除了发射三极管以外;线圈L1和电容C3的参数选择较重要,若选择不当会不起振或工作频率超出88–108MHz范围。其中L1,L2可用0.31mm的漆包线在3.5mm左右的圆棒上单层平绕5匝及10匝,C3选用5-20pF的瓷介或涤纶可调电容。实际制作时,电容C5可省略,L2上也可换成10-100mH的普通电感线圈。若发射距离只要几十米,那么可将电池电压选择为1.5-3V,并将D40管换成廉价的9018等,耗电会更少,也可参考《电子报》2000年第8期第五版(简易远距离无线调频传声器)一文后稍作改动。图1介绍的单管发射机具有电路简单,输出功率大,制作容易的特点,但是不便接高频电缆将射频信号送至室外的发射天线,一般是将0.7–0.9m的拉杆天线直接连在C5上作发射的,由于多普勒效应,人在天线附近移动时,频漂现象很严重,使本来收音正常的接收机声音失真或无声。若将本发射机作无线话筒使用,手捏天线时,频漂有多严重就可想而知了。

1.5v电池无线话筒制作(四)
图2为2km调频发射机电路。本电路分为振荡、倍频、功率放大三级。电路中V1、C2–C6、R2、R3及L1组成电容三点式振荡器,其振荡频率主要由C3、C4和L1的参数决定,其振荡频率为44~54MHz,该信号从L1的中心抽头处输出,再经过C7耦合至V2放大,由C8和L2选出44~54MHz的二倍频信号,即88-108MHz,,此信号由C9耦合至V3进行功率放大,V3由3只3DGl2三极管并联组成,可扩大输出功率。该电路正常工作时,电流约80-100mA。组成V3的三只3DG12可加上适当的散热片,以防过热。制作时L1~L3用0.31mm漆包线在直径3.5mm圆棒上单层平绕。

1.5v电池无线话筒制作(五)
图3为一种实用的50m调频型无线耳机发射部分电路。该电路分为振荡和信号放大部分。L1、C2-C5、V1等组成与黑白电视机高频头本振电路类似的改进型电容三点式振荡器,频率稳定性好,长时间工作不跑频,实践证明,业余情况下,采用该改进型的电容三点式振荡器完全能胜任。笔者用电烙铁直接烙焊V1的集电极数秒钟后,在三极管的温度很高的情况下,用普通收音机接收仍很正常,无跑频现象。振荡器的频率主要由L1和C2决定,通过微调L1,可以覆盖88-108MHZ范围。音频信号经R6、C11耦台至V1的基极,V1的e、b极间电容随音频电压的变化而引起振荡频率的变化,实现频率调制。该电路中L,~L3用0.31mm漆包线在中3.5mm圆棒上单层平绕。诵过调整L1匝间间距微调振荡频率,再微调L2、L3的匝间间距以谐振子振荡频率,获得最大输出功率。

1.5v电池无线话筒制作(六)
图4为晶振式发射机电路。电路中J.、VD1、L1、C3~C5、V1组成晶体振荡电路。由于石英晶体J的频率稳定性好,受温度影响也较小,所以广泛用于无绳电话及AV调制器中。Vl是29~36MHz晶体振荡三极管,发射极输出含有丰富的谐波成分,经V2放大后,在集电极由C7、L2构成谐振于88-108MHz的网络选出3倍频信号(即87~108MHz的信号最强),再经V3放大;L3、C9选频后得到较理想的调频频段信号。频率调制的过程是这样的,音频电压的变化引起VD1极间电容的变化;由于VD1与晶体J串联,晶体的振藩频率也发生微小的变化,经三倍频后,频偏是29-36MHz晶体频偏的3倍。实际应用时,为获得合适的调制度,可选择调制频偏较大的石英晶体或陶瓷振子,也可以采用电路稍复杂的6-12倍频电路。若输入的音频信号较弱;可加上一级电压放大电路。

。 (本文来源网友上传,如有侵权,可联系管理员删除)
版权声明:网站转载的所有的文章、图片、音频视频文件等资料的版权归版权所有人所有。如果本网所选内容的文章作者及编辑认为其作品不宜公开自由传播,或不应无偿使用,请及时联络我们,采取适当措施,避免给双方造成不必要的经济损失。