声光报警器电路设计方案(一)
声光控制(或手机来电指示器)报警器电路

将手机来电指示器中的超高亮度发光二极管的两根引线,引出接至光电耦合器PT621的输入端1-2脚(注意+、-极),当来电指示器闪光时光电耦合器就会反复导通。
光电耦合器TLP621管脚排列图:

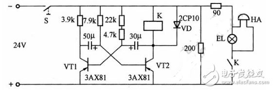
声光报警器电路设计方案(二)
如下图所示的电路主要由旋转开关S、晶体管振荡器、继电器K、电铃HA、指示灯EL等组成。当接通电源时,振荡器开始工作,VT2不断导通截止,因此继电器不断吸合释放,指示灯闪光,电铃发出间断报警声。改变振荡电路的电阻或电容值,可改变振荡频率,从而改变响铃和指示灯闪光频率。

本电路适用于有人值守的铁道口作禁止通行报警。
声光报警器电路设计方案(三)
该电路由两个多谐振荡器。第一个多振动器工作在低频,控制LED的闪光速度。

声音和光同时报警器电路。
声光报警器电路设计方案(四)
工作原理:
三极管BG1﹑BG2等组成低频振荡器,其输出端通过电容C3和电阻R6加至BG3管的基极。BG3﹑BG4管等组成一音频振荡器,其振荡频率由R5﹑C4的数值决定,并受低频振荡器输出电压的控制。当BG2管由导通变为截止时,BG2集电极也由低电平迅速变为高电平,这一正跳变脉冲加至BG3管基极﹑发射极之间,使BG3管正偏压增大,音频振荡频率增高;反之,当BG2管由截止变导通时,使BG3管正偏压减小,音频振荡频率变低。于是,这一频率高低变化的音频信号经扬声器后,即可发出连续不断的警车报警声响。

声光报警器电路设计方案(五)
基于单片机的声光报警系统的设计方案
1、声光报警系统基本原理
超声波是指频率高于20000Hz的机械波。为了实现超声波回波测距,必须通过超声波传感器产生和接收超声波。超声波传感器是利用压电效应和逆压电效应原理实现电能和超声波能之间的相互转化,即超声波发射器是通过逆压电效应将电能转换为超声波能,产生超声波;而超声波接收器是通过压电效应将超声波能转换为电能,接收超声波。若超声波发射器发出的超声波是以速度v(单位:m/s)在介质中传播,在有效防范区域内遇到被测物体超声波受到反射,被超声波接收器接收,传播经历的时间为t(单位:s),那么可以计算出入侵者与防范物体之间的距离s(单位:m),公式为:
系统结构框图如图1所示,单片机按照晶振电路给出的时钟时序下接收来自超声波传感器输出的入侵者距离电信号,并将该距离数值在LCD显示屏上实时显示,同时控制由发光二级管和蜂鸣器组成的声光报警系统,使其以一定的频率闪光并发出警报声。

图1 系统结构框图
2、系统硬件设计
2.1、硬件电路
硬件电路的设计主要包括单片机系统及显示电路、超声波发射与接收电路、声光报警电路四部分。单片机采用STC89C52.采用12MHz高准确度的晶振,减小测量误差。超声波传感器采用压电式超声波换能器,设置单片机端口P2.7输出超声波换能器所需的40kHz的方波信号,端口P3.2监测超声波接收电路输出的返回信号。显示电路采用KXM12864M显示屏。声光报警电路由发光二极管和蜂鸣器组成。
2.2、各主要模块的硬件
2.2.1、STC89C52主控电路

图2 STC89C52主控电路
2.2.2、超声波发射接收电路
压电式超声波换能器是通过压电晶体的谐振来实现超声波能和电能之间的转换,从而实现超声波的发射与接收的。将超声波发射器安装于J1端,由单片机P27端口以40kHz的频率输出方波电信号,那么压电晶体就会发生逆压电效应以相同的频率进行振动,实现电能向超声波能的转化,产生超声波,如图3所示。

图3 超声波发射电路
将超声波接收安装于J2端,当压电晶体两端没有施加电信号,接收到超声波信号时,压电晶体就会发生压电效应并以同频率进行振动,实现超声波能向电能的转化,产生电信号,该电信号经LM358放大后送入LM567进行锁相环检波,那么单片机就可以检测到一个接地方波。如下图4所示。

图4 超声波接收电路
2.2.3、显示电路
显示电路采用KXM12864M型LCD显示屏。
2.2.4、声光报警电路
如图5所示,声报警电路选用压电式蜂鸣器。单片机输出低电平时,三极管导通,蜂鸣器报警。

图5 声报警电路
如图6所示,光报警电路,当单片机在对应端口输出低电平时,绿、黄、红三种颜色的发光二极管以不同频率闪烁。

图6 光报警电路
2.2.5、电源电路
如图7所示,电源VCC由2到4节5号电池组组成,C1、C2、C3、C4起到稳压作用,按下开关SW1电源接通,绿色发光二极管发光。

图7 电源电路
。 (本文来源网友上传,如有侵权,可联系管理员删除)
版权声明:网站转载的所有的文章、图片、音频视频文件等资料的版权归版权所有人所有。如果本网所选内容的文章作者及编辑认为其作品不宜公开自由传播,或不应无偿使用,请及时联络我们,采取适当措施,避免给双方造成不必要的经济损失。