• 周二. 10 月 21st, 2025

自制遥控玩具车电路板 – 遥控电路图

4 月 22, 2019

  自制电路板最常用的五种方法

  1、描绘法

  是制作电路板所需要工具最少,制作过程最简单的一种方法。但精度不是很高

  2、感光板法制作较简单,特别是大面积接地线条时更能显示出优势。精度较高。但制作细线条时曝光需要经验。

  3、感光干膜法这种方法比起感光板法在成本上占有一定的优势,比起热转印法在制作电路质量上有一定的优势。但她的缺点是操作上有一定的难度,不象热转印法和感光板法那样简单。因此到低选用那种方法还应该根据您自己的感觉。

  4、热转印法制作较简单,特别是细线条时更能显示出优势,制作精度很大程度取决于设备,与人操作熟练程序基本上无关。初学者也能制作出精美的线路板。但需要激光打印机,对于大面积接地线条往往会有一些不足。

  5、丝网印法制作相对复杂,对操作者的熟练程度有很大关系,特别是制版时的曝光控制很是关键,但对细线条和大面积接地线均能很好的表现。特别是在大批量生产时更能显示出她的优势。如果只需要制作几张线路板您会觉得这种方法很麻烦,但当您需要制作几百张几千张线路板时,那么您非选她不可。

  遥控车电路板的接法

自制遥控玩具车电路板

  GND是地,电池负极,应该还有一个点接电池正极,可能是VDD,

  F forward 和B backward 两条线接前进/後退电机,

  L left 和 R right 两条线接左右转向电机,

  LED + – 应该是接收板上的某个功能的指示灯。

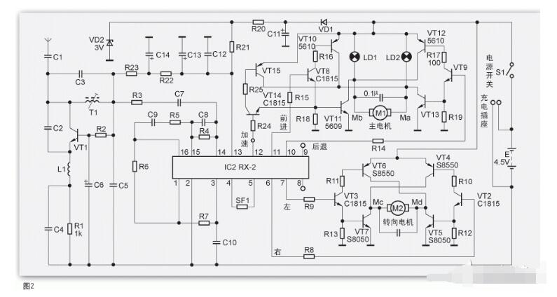
  遥控接收电路工作原理

  该遥控接收电路主要以集成块IC2 (RX-2)为核心及其他元件组成,其 工作原理见图2所示。 当操作遥控器上的各功能键时, 所发出的高频信号经遥控车上的天线 接收后,由超再生接收电路解调出编 码控制脉冲信号,再经电阻R3、电 容C7耦合,送到接收集成块IC2的14 脚,经其内部放大处理后,从其相应 控制端输出控制信号,送到电机驱动 控制电路。电动机驱动电路都是采用 双端平衡方式,改变其两端工作电压 极性,就可控制电动机转动方向。当 输出的是前进信号时,集成块IC2的11 脚输出高电平控制信号,三极管VT8、 VT10、VT11随之导通,电动机M1正 转,遥控车前进。当输出后退,左右 转向控制信号时,用户可自已分析电路原理。

自制遥控玩具车电路板

  遥控玩具汽车电路原理图

自制遥控玩具车电路板

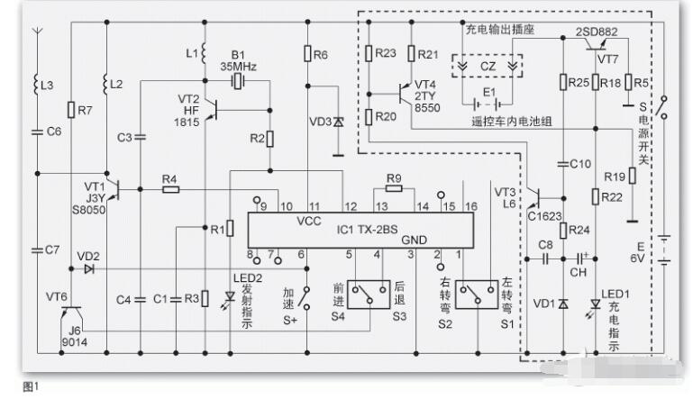
  遥控发射电路

  该遥控发射电路主要以集成块IC1 (TX-2BS)为核心及其他元件组成, 其工作原理如图1所示。集成块IC1的 3、11脚为电源供应端;其1、16脚为 左右转弯控制信号输入端;4、5脚为 前进和后退控制信号输入端;6脚为 加速控制信号输入端;7、8、9脚为 空端;10、12脚为编码信号控制输出 端;13、14脚外接振荡电阻。三极管 VT2及晶体B1等构成载波振荡器,其振 荡频率为35MHz。

  在接通电源后,操作遥控器中的 功能键,其集成块IC1相应控制脚接 地,内部对应的功能选通,开始进行 编码产生与操作功能键相一致的编码 信号,然后由其10脚输出控制编码脉 冲信号,同时其12脚输出高电平控制 信号,发射二极管LED 亮,三极管VT2的B极有高电平信号而导通工作,三极 管VT2与晶体振荡器B1组成的载波振荡 器工作,产生35MHz的振荡载波频率, 经电容C3耦合到三极管VT1的B极。当 集成块IC1(TX-2BS)的10脚输出高 电平控制编码脉冲信号时,三极管VT1 导通工作,其功能控制编码脉冲信号 及三极管VT2及晶体振荡器B1产生的 35MHz载波经三极管VT1调制放大后, 经电容C6、电感L3耦合发射出去。

自制遥控玩具车电路板

  遥控车充电电路

  由于微型无线遥控车其自身较 小,没有空间安装5号电池,生产厂家就采用三节纽扣电池串联使用。当遥控车没有电时,就把遥控手柄中的插头插入遥控车的插座充电即可使用,其充电电路工作原理见图1中虚线部分。

  当微型车无电,把遥控手柄中的 插头插入遥控车后,遥控器内的+6V电 压通过连接插座进入到遥控车充电电 路,该电压加到三极管VT7的C极;同 时还通过电阻R21,电阻R23加到三极 管VT4的B极和E极;通过电阻R20、电 阻R25、电容C10加到三极管VT3的B极 和C极。由于电容C10两端电压瞬间不 能突变,就给三极管VT3的B极提供一 定的偏置导通电压,三极管VT3导通, 其C极电位降低,三极管VT4的B极电位 降低而导通,+6V电压经过三极管VT4 的E、C极,电阻R18加到三极管VT7的 B极,三极管VT7导通,开始给遥控车 内电池组充电;同时,该电压经电阻R22给电容CH充电,充电指示灯LED1 亮。在电容CH充电时,又给三极管VT3 的B极提供了一定的偏压,从而加速了 三极管VT3、VT4、VT7的导通,随后电 容的充电电流越来越小,三极管VT3、 VT4、VT7相应进入截止状态,充电指 示灯LED1灭,表明给遥控车内电池组 充电结束。

自制遥控玩具车电路板

 

。 (本文来源网友上传,如有侵权,可联系管理员删除)

版权声明:网站转载的所有的文章、图片、音频视频文件等资料的版权归版权所有人所有。如果本网所选内容的文章作者及编辑认为其作品不宜公开自由传播,或不应无偿使用,请及时联络我们,采取适当措施,避免给双方造成不必要的经济损失。