现在人们越来越追求生活的便捷,无线遥控 开关 不知不觉已经走进平常百姓家。当下许多家用电器都运用了无线遥控技术,例如彩电、 冰箱 、 空调 等等。除此之外,还有许多 儿童玩具 也装上了无线遥控设备。相信大家对无线遥控开关都已经使用过。
无线遥控开关功能
在了解无线遥控开关原理之前,我们先来了解一下无线遥控开关功能,无线遥控开关在设计制作上采用射频识别技术,无方向性,与其它同型号产品间不会造成任何影响和干扰,具有高保密性、性能稳定、功耗低、存储量大、使用方便,可以让灯具同时或个别进行开光,开关和遥控器不必配套购买,用户可自由选配,误码率低,抗干扰能力强。
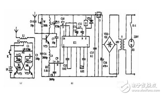
一。无线遥控开关电路图(pt2262电路图)

无线遥控开关是由发射器和接收器两者组合而成,发射器将控制者的控制按键经过编码,调制到射频信号上进行发射出无线信号,也可以说成是一个编码器。而接收器是将接收到的无线信号进行编码信号再解码,得到与控制按键相对应的信号,然后去控制相应的电路工作了,也被称为解码器。随着科技进步无线遥控开关在工业控制和无线智能家居领域都得到了广泛使用。
二。无线遥控开关电路图(单路和多路遥控)

由于科技进步无线遥控开关种类和功能繁多,按传输控制指令信号的载体分可以分为为:无线电遥控、超声波遥控、红外线遥控,按信号的编码方式不同可以分为:频率编码和脉冲编码,按传输通道数可以分为:多通道遥控和单通道,按同一时间能够传输的指令数目不同可以分为:单路和多路遥控,按指令信号对被控目标的控制技术可以分为:开关型比例型遥控。
三。无线遥控开关电路图(无线遥控开关电路)

遥控开关不止具有开关的功能,它在替代传统墙壁开关的同时,更具有对室内灯光进行控制的功能,是一个可以灵活配置的室内灯光控制系统,普通用户仅以经济的投入即可完成完美的灯光成果.它具有非常强大的功能:
1、无方向远距离隔墙控制功能
红外遥控器一般受空间距离和方向的限制,而采用无线射频技术的遥控开关,完全没有这些限制.一般在20-100米半径内督可以做到信号覆盖,且可以穿透2-3堵墙体。
2、百万组无重码识别技术
确保互不干扰.在同一城市基本没有重码现象,不必担心邻居的遥控器会控制自家的灯具。
3、智能学习对码技术
人们习惯性的认为遥控开关与开关是一一对应的,不能改变的关系,但是采用智能学习对码识别技术以后,遥控器与开关可以单独配置,摒弃了遥控器与开关不能分离的干扰,可以灵活的进行灯光控制。

4、极强抗干扰能力
可靠性高,具有访雷功能。
5、提供手动遥控两种模式
既增强了方便性,又承袭了原有的习惯。
6、采用单线制接线方式
不仅可以替换传统的开关,也符合电气电工施工标准。
7、全开全关功能
当休息的时候,一键即可以完成灯具的全关.在使用场景功能时,一键也可以完成全开。
8、断电保护功能
遇到断电情况,开关全部关闭.当从新来电时,开关处于关闭状态,不会因未知开关状态而造成人身伤害,也可以在无人值守情况下节约电能。
9、软启功能
对于白炽灯,开灯时,灯光由亮逐渐变暗,避免灯光的突变刺激眼睛,给人眼睛一个缓冲.而且避免了冷态大电流对电丝的冲击,延长了灯泡的使用寿命。
10、集中控制和多点控制功能
开关上每一路按键督可以学习多个编码,被不同的遥控控制;每一只遥控器也可以学习多路按键,控制多路照明,这种灵活的对码能力,使用户在任何一个地方均可控制不同地方的灯,或者是在不同的地方控制同一盏灯。
11、电器控制集成功能
目前一般家庭督被遥控器困扰着,现在加配一个中集器,就可以完成对室内空调,电视,自动窗帘,音响等等电器的控制集成,组建一个智能家居系统。

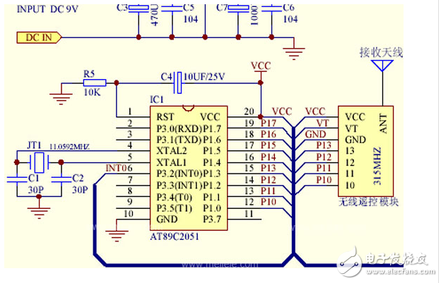
四。无线遥控开关电路图(AT89C2051电路图)

功能特点
1.设有防雷装置设计,性能安全可靠,里面安装了快速保护管,能够有效的防止雷击,抗抗击浪涌,保护我们的电路安全;
2.隔墙遥控,可以隔着墙壁进行无线远距离的遥控,在房间就可以掌控客厅里面的灯,安全又实用,为生活带来极大的便利;
3.双向控制,可以选择使用墙上的手动开关,也可以选择使用遥控进行控制,使得人们的居家更加的方便;
4.互补干扰,采用射频识别技术,没有方向性,与邻居家使用的同型号产品之间不会互相干扰,不会造成不必要的麻烦;
5.来电自熄,电网停电后再来电的话,开关可以自动的处于关闭的状态,避免造成电的浪费;
6.几种控制,即使是只使用一个多键的遥控器就可以集中控制全家的智能遥控开关,大大的方便了我们的生活;
7.安装方便,采用标准的86式墙壁开关外型造型设计,不需要接麻烦的零线,不需要对灯具进行任何的接配件改动,可以直接快速的替换原有的墙壁开关;
8.智能识别,开关可以识别无线遥控器,开关和遥控器不必每次配套购买,人们可以自由的进行选配,随意升级添加并自行配置。
五。无线遥控开关电路图(CD4017电路图)

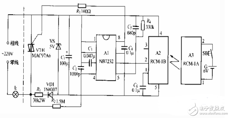
六。无线遥控开关电路图(无线电遥控调光灯电路)

无线电遥控调光灯采用微型无线电发射,接收模块与调光专用集成电路,所以电路简洁、制作容易,工作可靠性好。而且整个控制开关对外仅两根引出线,所以可直接用它取代普通照明开关,将普通照明灯改为遥控嗣光灯,面不必更改室内原有布线。
图中最右边为遥控发射器,它由发射模块A 3、lu池(与按键开关SH组成。Al足捌光专用集成电路NB72S2。当按下发射器的按键SH时.A3(RC M-1A)勺藏发射天线就会向空中辐射频牢约25(J-300MHz的超高频捌制电磁波,在有效距离(《1 5m)内,将被A2 (RCM-1R)的内藏天线接收。经模块内部电路解凋、放大、检波、延迟和电平转换后,从②脚输出高电平脉冲.并直接送人例光集成电路Al的高电甲信号控制输入端⑥脚,用以控制输m端⑧脚的触发脉冲信号,进而控制双向晶闸管VTH的开断与导通角。当发射器进来的指令信号时问小于332mS时,A1处十开关丁作状态,即lU灯F处十关时,只要短暂按一下发射开关SH(按键时问小于332n、s).灯E即被点亮;再短暂按一下SH,灯灭。当按键叫间长十332rns. Al处于调Jt上作状态,即电灯1F南亮变暗,然后叉逐渐南暗变亮循环。直至按键SH松开,iLl灯亮度即被固定在松开前的瞬间。灯光亮度循环 次周期为7 64s.
Al将电划E亮度从最亮到最暗划分成83个不同亮度等级,在交流电每周期的特定时到由⑧脚输出一触发脉冲,通过R,去控制VTII的导通角(4l9~lj 9 4),基本能实现灯光亮度尢级凋整。Al还具有记忆功能,占能将关灯前的高度等级存储在电路巾,井保持到下一次开灯。因此当重新开电灯时,电蚰能保持原来的亮度。
。 (本文来源网友上传,如有侵权,可联系管理员删除)
版权声明:网站转载的所有的文章、图片、音频视频文件等资料的版权归版权所有人所有。如果本网所选内容的文章作者及编辑认为其作品不宜公开自由传播,或不应无偿使用,请及时联络我们,采取适当措施,避免给双方造成不必要的经济损失。