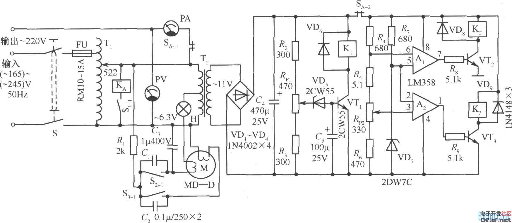
这是一种由交流伺服系统控制的全自动交流稳压电源。当输入电压或负载改变而引起输出电压变化时,它能迅速自动调整,使输出电篮稳定在220V。它适用的交流输入电压变化范围为165~245V,最大输出功率为3000W,最大输出电流可达3.6A,电源工作效率大于98%。其电路如图所示。
这是一种由交流伺服系统控制的全自动交流稳压电源。当输入电压或负载改变而引起输出电压变化时,它能迅速自动调整,使输出电篮稳定在220V。它适用的交流输入电压变化范围为165~245V,最大输出功率为3000W,最大输出电流可达3.6A,电源工作效率大于98%。其电路如图所示。

。 (本文来源网络整理,目的是传播有用的信息和知识,如有侵权,可联系管理员删除)
版权声明:网站转载的所有的文章、图片、音频视频文件等资料的版权归版权所有人所有。如果本网所选内容的文章作者及编辑认为其作品不宜公开自由传播,或不应无偿使用,请及时联络我们,采取适当措施,避免给双方造成不必要的经济损失。