• 周二. 10 月 21st, 2025

组合逻辑电路设计步骤详解(详细教程) – 数字电路图

4 月 29, 2019

  组合逻辑电路的设计与分析过程相反,本文小编主要跟大家介绍一下关于组合逻辑电路的设计步骤,顺便回顾一下组合逻辑电路的分析方法。

  组合逻辑电路的设计,通常以电路简单,所用器件最少为目标。在前面所介绍的用代数法和卡诺图法来化简逻辑函数,就是为了获得最简的形式,以便能用最少的门电路来组成逻辑电路。但是,由于在设计中普遍采用中、小规模集成电路(一片包括数个门至数十个门)产品,因此应根据具体情况,尽可能减少所用的器件数目和种类,这样可以使组装好的电路结构紧凑,达到工作可靠而且经济的目的。

  组合逻辑电路设计步骤

  在教学过程中,学生对组合逻辑电路的设计过程觉得比较难。不知从何人手。笔者经过多年的教学,总结出组合逻辑电路的设计步骤如下,并举例说明。

  组合逻辑电路设计是根据给出的逻辑问题,设计出一个组合逻辑电路去满足提出的逻辑功能要求。

  组合逻辑电路的设计步骤如下:

  1、仔细分析设计要求。做出输入,输出变量的逻辑规定。根据给出的条件,列出真值表。

  2、将真值表写入卡诺图。化简。卡诺图法化简是一种很方便、很准确的化简方法,只要有足够的细心,化简结果就不会有问题。

  3、画逻辑电路图。卡诺图法化简后得到最简的与一或表达式。若需要其他的形式,可先转化后再作图。下面用实际例子来详细分析。

  例:某单位举办游艺晚会,男士持红票入场。女士持黄票入场。持绿票不管男女均可入场,试用与非门设计这个游艺晚会入场放行的逻辑控制电路。

  第一步:由题意找出输入、输出变量,列真值表。题中出现男、女、黄票、红票、绿票共五个变量。有人会建议设五个输入变量,可是若细细想来。可看出男、女为表示对立的变量。可用一个变量A的两种状态来表示。可设A=O为女,A=I表示男。

  剩下的红票、黄票、绿票分别用B、C、D来表示,即B=I为持红票。B=O为没有红票;C=1为持黄票,C=0为没有黄票;D=l为持绿票,D=0为没有绿票;设L为输出变量,L=1可入场,L=0不可入场。根据上述逻辑规定,按题意列出真值表如附表。

  第二步:将真值表写入卡诺图,化简。在画包围圈的过程中(如图l所示)。

  组合逻辑电路设计步骤详解(教程)

  要注意以下几点:

  1、包围圈越大越好(合并后得到的乘积项中因子最少)。

  2、包围圈的个数越少越好(表达式乘积项项数最少)。

  3、同一个“1”方块可以被圈多次(因为A+A=A,对逻辑函数的正确性无影响)。

  4、每个圈要有新的成分,如果某一圈中所有的“1”方块均被别的包围圈包围,则此圈所表示的乘积项是多余的。

  5、画包围圈时,可先圈大,后圈小。

  6、不要遗漏任何方块(否则函数会出错)。

  将各圈写成逻辑函数表达式的形式,并化成题中要求的形式,即得到:L=D+AB+AC=DABAC综上所述。可看出设输入、输出变量是逻辑电路设计的第一关键。

  只有变量设得恰当,才能根据题意顺利地列出正确的真值表。卡诺图法化简是第二关键,不过只要按照化简规则。仔细分析作答,并化简成题里所需要的形式,然后根据逻辑表达式画出相应的逻辑电路图即可。

  组合逻辑电路设计步骤详解(教程)

  延伸阅读:组合逻辑电路的分析步骤

  1、分析组合逻辑电路的步骤大致如下:

  已知逻辑图→写逻辑式 →运用逻辑代数化简或变换→ 列逻辑状态表→ 分析逻辑功能

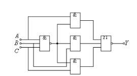
  例:某一组合逻辑电路如下图所示,试分析其逻辑功能。

  组合逻辑电路设计步骤详解(教程)

  解:(1)由逻辑图写出逻辑式,并化简

  组合逻辑电路设计步骤详解(教程)

  (2)由逻辑式列出逻辑状态表(下表)

  组合逻辑电路设计步骤详解(教程)

  (3)分析逻辑功能

  只当A,B,C全为“0”或全为“1”时,输出Y才为“1”,否则为“0”。故该电路称为“判一致电路”,可用于判断三个输入端的状态是否一致。

  2、综合组合逻辑电路的步骤大致如下:

  已知逻辑要求→ 列逻辑状态表→ 写逻辑式→ 运用逻辑代数化简或变换→ 或逻辑图

  例:试设计一逻辑电路供三人(A,B,C)表决使用。每人有一电键,如果他赞成,就按电键,表示“1”;如果不赞成,不按电键,表示“0”。表决结果用指示灯来表示,如果多数赞成,则指示灯亮,Y=1;反之则不亮,Y=0。

  解:(1)由题意列出逻辑状态

            共有八种组合,Y=I的只有四种。逻辑状态表如下表所示。

  组合逻辑电路设计步骤详解(教程)

  (2)由逻辑状态表写出逻辑式

  组合逻辑电路设计步骤详解(教程)

  (3)变换和化简逻辑式

  对上式应用逻辑代数运算法则7,8,14进行变换和化简:

  组合逻辑电路设计步骤详解(教程)

  (4)由逻辑式画逻辑图

  由上式画出的逻辑图如下图所示。

  组合逻辑电路设计步骤详解(教程)

。 (本文来源网友上传,如有侵权,可联系管理员删除)

版权声明:网站转载的所有的文章、图片、音频视频文件等资料的版权归版权所有人所有。如果本网所选内容的文章作者及编辑认为其作品不宜公开自由传播,或不应无偿使用,请及时联络我们,采取适当措施,避免给双方造成不必要的经济损失。