简易电子琴设计电路图(一)
电子琴稳定的+5V电源的电路如图所示。

电子琴电源电路
电路工作原理:集成块ICCA6722是该电源电路的核心元件。它能输出精确而稳定的+5V直流电压。从IC第1脚输人+9V直流电压,经IC内电路稳压后,由其第6脚和第8脚输出+5V电压。电压VDD为ROM、RAM以及CPU中的部分电路供电(CPU中其他电路的工作电压也由VDD供给)。电压V(A)DD用于电子琴中模拟电路的小信号部分。电压V(D)DD供电子琴中其他数字电路使用。开关晶体管V受控于IC第3脚。V导通时,输出VCC(+9V)电压,为两路功率放大器供电。C点接受来自CPU的自动电源控制信号。VDD电压不受C点电平控制,电子琴接通电源时,IC输出VDD电压,CPU中的部分电路工作,使C点为高电平(+5V)。该高电平送入IC第10脚,不仅控制IC第6脚输出V(A)DD电压和V(D)DD电压,并且使IC第3脚输出控制信号,开关管V导通,输出VCC电压。若在17min内未弹奏电子琴,CPU会发生指令,使C点自动变为低电平,切断V(A)DD、V(DDD和Vcc三路电压的输出。
二极管VD1、VD2可防止因外接电源正、负极接反而损坏电路元件。二极管VD3能保证当外接电源断电时,自动切换为机内电池供电。
简易电子琴设计电路图(二)

1234下一页全文 。 (本文来源网友上传,如有侵权,可联系管理员删除)
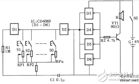
简易电子琴设计电路图(三)
SPCE061A做的小型电子琴
我们知道,声音的频谱范围约在几十到几千赫兹,若能利用程序来控制 单片机 某个端口的“高”电平或低电平,则在该端口上就能产生一定频率的矩形波,接上喇叭就能发出一定频率的声音,若再利用延时程序控制“高”“低”电平的持续时间,就能改变输出频率,从而改变音调。乐曲中,每一音符对应着确定的频率,这个小制做是采用凌阳SPCE061A的DAC输出来实现,具体做法是,先建立一个有两百个数据的音频数据表,当按不同的按键即以不同的频率往DAC上送数据,从而达到输出不同音符的目的,为了达到电子琴的效果,当然还得在程序方面稍作修饰了,下面将就具体硬件电路进行说明。
键盘控制电路:
在这里采用矩阵式排列键盘,如图所示,这样可以合理应用硬件资源,把16只按键排列成4*4矩阵形式,用一个8位I/O口控制如图所示。把键盘上的行和列分别接在IOA0~IOA3和IOA4~IOA7上。

图 按键控制电路
先置IOA0~IOA3为带数据缓存器的高电平输出,置IOA4~IOA7为带下拉电阻的输管脚,此时若有键按下,取IOA4~IOA7的数据将得到一个值,把此值保存下来,再置IOA4~IOA7为带数据反相器的高电平输出,置IOA0~IOA3为带下拉电阻的输入管脚,此时若键仍没弹起,取IOA0~IOA3的数据将得到另一个值,把这两个值组合就可得知是哪个键按下了,再通过匹配得到键值,实际上在这个小设计中只用到了8个按键,但考虑到为广大电子爱好者自由发挥预留了八个按键,您可以自己设计加入别的音符或是别的好玩的啊。
音频放大电路:
凌阳SPCE061A 单片机 自带双通道DAC音频输出, DAC1、DAC2转换输出的模拟量电流信号分别通过AUD1和AUD2管脚输出, DAC输出为电流型输出,经LM396音频放大,即可驱动喇叭放音,放大电路如图三(只列出了DAC1,DAC2类似)。在DAC1、DAC2后面接一个简单的音频放大电路和喇叭就能实现语音播报功能,这为单片机的音频设计提供了极大方便,音频的具体功能主要通过程序来实现。

简易电子琴设计电路图(四)

简易电子琴设计电路图(五)
25键多功能电子琴电路图

简易电子琴设计电路图(六)
通过单片机实现电子琴演奏,实质就是将不同按键和特定频率的方波信号对应起来,以方波信号驱动蜂鸣器发出乐音。下面简单介绍一下乐音的特性。乐音实际上是有固定频率的信号。在音乐理论中,把一组音按音调高低的次序排列起来就成为音节,也就是1、2、3、4、5、6、7和高音1。高音1的频率正好是中音1频率的2倍,而且音节中各音的频率跟1的频率之比都是整数之比。
为了发出某一特定频率的乐音,可以控制单片机的一个I/O口产生该频率的方波信号,经过电流放大后驱动蜂鸣器发出该乐音。对于方波的产生,可以启用单片机的一个定时器进行计时,产生溢出中断。中断发生时,将输出引脚的电平取反,然后重新载入计数器初始值。
因此,正确的设置定时器的工作模式和初始计数值是发出乐音的基础。例如中音1,其频率是523Hz,则周期为T=l/523=1912μs,半个周期为956μs。根据单片机计数器计数的机器周期,就可以算出计数器的预置初始值应为多少。例如,假设采用的单片机的一个计数周期需要12个时钟周期,当采用12MHz晶振时,一个计数周期即lμs。要定时956μs,只需设置其计数初值为计数最大计数值减去956。对应不同的按键,调节Tl的溢出时间,即可输出不同频率的乐音,这样就实现了简易电子琴的设计。
形成每个乐音音高的频率是固定的,下表列出了一个8度以及其上下共16个音的音名、频率及定时器Tl初值对照(设晶体频率为12MHz)。

该简易电子琴的硬件电路设计较简单,通过Pl口进行按键扫描,从P0.1口输出方波信号,经三极管放大后驱动蜂鸣器发出声响。系统硬件电路如下图所示。

。 (本文来源网友上传,如有侵权,可联系管理员删除)
版权声明:网站转载的所有的文章、图片、音频视频文件等资料的版权归版权所有人所有。如果本网所选内容的文章作者及编辑认为其作品不宜公开自由传播,或不应无偿使用,请及时联络我们,采取适当措施,避免给双方造成不必要的经济损失。