• 周三. 10 月 22nd, 2025

最简单三级管振荡电路图大全(六款最简单三级管振荡电路设计原理图详解) – 信号处理电子电路图

3 月 17, 2019

最简单三级管振荡电路图(一)

三极管多谐振荡电路原理图

最简单三级管振荡电路图大全(六款最简单三级管振荡电路设计原理图详解)

下面我们将简要分析该电路的工作原理

上图所示为结型晶体管自激或称无稳态多谐振荡器电路。它基本上是由两级RC藕合放大器组成,其中每一级的输出藕合到另一级的输入。各级交替地导通和截止,每次只有一级是导通的。

从电路结构上看,自微多谐振荡器与两级Rc正弦振荡器是相似的,但实际上却不同。正弦振荡器不会进入截止状态。而多谐振荡器却会进入截止状态。这是借助于Rc耦合网络较长的时间常数来控制的。尽管在时间上是交替的,可是这两级产生的都是矩形波输出。所以多谐振荡器的输出可取自任何一级。

电路上电时,Vcc加到电路,由于两只三极管都是正向偏置的故他们处于导通状态,此外,还为藕合电容器Cl和C2充电到近于Vcc电压。充电的路径是由接地点经过晶体管基极,又通过电容器而至Vcc电源。还有些充电电流是经过R1和R2的,从而导致正电压加在基极上,使晶体管导电量更大,因而使两级的集电极电压下降。

在上述多谐振荡电路原理图中两只晶体管不会是完全相同的,因此,即使两级用的是相同型号的晶体管和用相同的元件值,一个晶体管也会比另一个起始导电量稍微大些。

假定Ql的导电量稍大些,由于Ql的电流大,它的集电集电压下降就要比Q2的快些。结果,被通过电阻器R2放电的电容器C2藕台到Q2基极的电压就要比由C1和Rl藕合到Ql基极的电压负值更大些。这就使得Q2的导电量减少,而它的集电极电压则相应地增高了。

最简单三级管振荡电路图大全(六款最简单三级管振荡电路设计原理图详解)

Q2集电极升高的电压,是作为正电压藕合回Ql基极的。这样,Q1导电更多,从而引起它的集电极电压进一步下降,由于C2还在放电。故驱使Q2的基极电压向负的增大。

这个过程继续到最终Q2截止,而Ql在饱和状态下导通为止。此时,电容器C2仍然通过电阻器R对接地点放电。Q2级保持截止直至C2已充分放电使得Q2的基极电压超过截止值为止。然后Q2开始导通,这样就开始了多谐振荡器的第二个半周。

由于Q2开始导通,它的集电极电压就开始下降,导致电容器Cl通过电阻器Rl开始放电,这样,加到Q1基集的是负电压。Q1传导的电流因此而减小,并引起Ql集电极电压升高。

最简单三级管振荡电路图大全(六款最简单三级管振荡电路设计原理图详解)

这是作为正电压藕合到Q2基极的,于是Q2传导的电流就更大。就象前半周的工作一样,这是起着正反馈作用的,并持续到Ql截止,Q2在饱和状态下导通为止。Q2保留在截止状态,直至C1已充分放电,Ql开始脱离截止状态为止。此时,完整的周期再次开始。

好一级导通时间的长短,取决于另一级截止的时间。也就是取决于C1Rl和C2R2的时间常数RC。时间常数越小转换作用也就越快,因此多谐振荡器的输出频率就越高。就上述的电路来说,两个RC网络的时间常数相同,两个晶体管的导通和截止周期是相等的,故称之为对称的自微多谐振荡器。

最简单三级管振荡电路图(二)

极管TV2进行信号放大,经电容C8耦合输出。其中,电阻RI、R2和电阻R5、R6、R7是三极管VT1和VT2的直流偏置元件。L2是高频扼流线圈,给振荡管VT1的集电极电流提供一个直流通路。C2为隔直电容。C3、C7是交流旁路电容,使VT1的发射极处于交流零电位,但直流电位不为零。电感L1,电容C6,电阻R3为改善电源滤波电路,其作用是减少纹波电压以振高直流分量。略调电容C4、C8,可以改变耦合信号的大小。

最简单三级管振荡电路图大全(六款最简单三级管振荡电路设计原理图详解)

1.元器件选择

电容C1为20p,C2为100p,C3、C7为820p,C4为56p,C5、C8为47p,C6为47u/50V。电感L1为22uH(色码电感),L2为0.3uH。电阻R1为1.6kΩ,R2为1kΩ,R3为750Ω,R4为180Ω、1W,R5为1.3kΩ,R6为3kΩ,R7为360Ω,R8为470Ω,R9—R12为300Ω、2W。三极管VT1、VT2选3DG82B,65≤β≤115。晶体SJT用JA9B型-70MHz。继电器KM为JUC-1M。

2.使用时应注意

(1)在应用石英晶体时,有一个必须注意的实际问题,这就是晶体本身的

激励功率。激励功率较大时,输出功率也大,这时,晶体三极管引入的噪声影响不大。但是,晶体激励功率过大会使晶体长期稳定性(老化特性)变坏。晶体激励功率小时,长期稳定性较好,但是使用低噪声晶体三极管较佳。

(2)由于晶体频率受温度影响很大,为保证对晶体频率稳定度的要求,必

须注意晶体恒温。即将晶体放在恒温槽内,由恒温控制电路来保证恒温槽内的温度使其维持在晶体的拐点温度。因此,为使振荡频率和震荡幅度稳定,将晶体SJT和VT1、VT2放入恒温箱内。恒温箱是用R9-R12四只2W金属膜电阻加热,一只小型密封温度继电器KM作温度控制元件。箱内温度在+55℃(所用晶体的拐点温度一般在+60±5℃)。为减小恒温箱的体积,其电路中的元器件尽可能选其体积越小越好。如箱内温度高于+55℃时,KM-1.2触点断开;如≤+55℃时,KM-1.2触点闭合,以保证箱内温度温定在+55℃。

最简单三级管振荡电路图(三)

最简单三级管振荡电路图大全(六款最简单三级管振荡电路设计原理图详解)

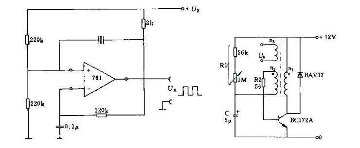
采用运算放大器的晶体振荡器电路。此电路采用761运算放大器,输出脉冲频率可达10MHz。2kΩ电阻用来作运算放大器输出级集电极开路的负载。

最简单三级管振荡电路图(四)

该电路采用场效应晶体管,可构成性能极好的石英晶体振荡器电路。微调电容用于调整频率,扼流圈可根据频率范围选取,使ωL >20K Ω 。

最简单三级管振荡电路图大全(六款最简单三级管振荡电路设计原理图详解)

最简单三级管振荡电路图(五)

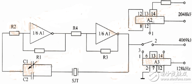
如图所示是由A1的三个门、四个电阻、调谐电容和一块晶体所构成简单的晶体振荡器电路。

最简单三级管振荡电路图大全(六款最简单三级管振荡电路设计原理图详解)

晶体振荡电路

在图中,其中A1和晶体谐振子SJT及电容组成4069kHz的方波信号。将开关置1点,送至A2,经A2的二分频后,获得2048kHz振荡信号;将开关置于3点,送至A3,经A3的二分频后,获得128kHz振荡信号。调谐电容C1和C2,可使频率准确的调谐在中心频率上。

由晶体SJT连接在A1的输入和输出端之间,用以提供反馈回路,在晶体的基频上产生振荡。

最简单三级管振荡电路图(六)

最简单三级管振荡电路图大全(六款最简单三级管振荡电路设计原理图详解)

由上图可见,这个电路是由两个非门(反相器)用电容C1,C2构成的正反馈闭合环路。三级管Q1的集电极输出接在Q2的基集输入,Q2的集电极输出又接在Q1的基极输入。电路接通电源后,通过基极电阻R2,R3同时向两个三极管Q1,Q2提供基极偏置电流。使两个三极管进入放大状态。虽然两个三级管型号一样对称。但电路参数总会存在微小的差异,也包括两个三极管本身,也就是说T1,T2的导通程度不可能完全相同,假设Q1导通快些,则D点的电压就会降的快些。这个微小的差异将被Q2放大并反馈到Q1的基极,再经过Q1的放大,形成连锁反应,迅速使Q1饱和,Q2截止,D点变成低电平“0”,C点变成高电平“1”。

Q1饱和后相当于一个接通的开关,电容C1通过他放电。C2通过它充电。随着C1的放电,由于有正电源VCC的作用,Q2的基极电压逐渐升高,当A点电压达到0.7V后,Q2开始导通进入放大区,电路中又会立刻出现连锁反应,是Q2迅速饱和,Q1截止,C点电位变电平“0”。D点电位变高电平“1”。这个时候电容C2放电,C1充电。这一充放电过程又会使Q1重新饱和,Q2截止。如此周而复始,形成振荡。

由上可以知道通过改变C1,C2的电容大小,可以改变电容的充放电的时间,从而改变振荡频率。

。 (本文来源网友上传,如有侵权,可联系管理员删除)

版权声明:网站转载的所有的文章、图片、音频视频文件等资料的版权归版权所有人所有。如果本网所选内容的文章作者及编辑认为其作品不宜公开自由传播,或不应无偿使用,请及时联络我们,采取适当措施,避免给双方造成不必要的经济损失。