负反馈放大电路的四种基本类型
1.电压反馈和电流反馈
若反馈信号取自输出电压信号,则称为电压反馈;若反馈信号取自输出电流信号,则称为电流反馈。
通常,采用将负载电阻短路的方法来判别电压反馈和电流反馈。具体方法是:若将负载电阻RL短路,如果反馈作用消失,则为电压反馈;如果反馈作用存在,则为电流反馈。
2.串联反馈和并联反馈
若反馈信号与输入信号在基本放大电路的输入端以电压串联的形式迭加,则称为串联反馈;若反馈信号与输入信号在基本放大电路的输入端以电流并联的形式迭加,则称为并联反馈。
根据电压/电流和串联/并联反馈,可构成电压串联、电压并联、电流串联和电流并联四种基本类型。四种负反馈放大电路的方框图如图所示。


负反馈放大电路图(一)
电路原理:图示为一种采用负反馈方式的宽带放大电路,该电路放大器均采用变压器耦合方式,放大部分采用场效应晶体管和晶体三极管相结合的方式。电路中,输入信号经耦合电容器加到变压器TI绕组的中心抽头,再经变压器T2的初级绕组加到场效应晶体管的栅极上,这种方式具有阻抗转换的功能,将50n输入阻抗提高到200n,变压器Tz的次级绕组又是VT1的满极负载,放大器的增益取决于T2的次级绕组(25/3=8,33)。VT2是射极输出放大器方式,通过线圈抽头的选择可得到5011的输出阻抗。

负反馈放大电路图(二)
图1为两级共射放大电路,图2为带有电压串联负反馈的两级共射放大电路,其反馈网络由R11,C6,R4组成,它可构成交流负反馈电路。

静态工作点分析
由于采用的是交流负反馈,理论上分析加入反馈网络后电路的直流工作状态应该不变。在Protel99se平台上,选择Simulate下拉菜单,点击Run项,在*.sdf图下方点击OpraTIngPoint就可显示图1和图2电路的静态工作点,发现两个电路的静态工作点是相同的,这与理论分析结果一致。

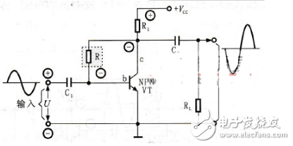
负反馈放大电路图(三)
并联负反馈放大器
如图3-33所示为常见并联负反馈放大器。其中电阻器R为电压负反馈元件,电阻器R的左端直接与输入端相连,右端又直接与输出端相连,将输入与输入回路联系起来了。

图3-33 常见并联负反馈放大器
首先假设某瞬时输入信号为正极(+),由于共发射极晶体管放大器输出的电压极性与输入的相反,为负极(-),通过反馈元件R,将负极性的反馈信号加到基极(b),与信号源假设极性相反,使电压减小,所以反馈元件R为负反馈。然后,将放大器的输出端对地交流短接,通过电容器C2晶体管集电极就会交流接地,此时就没有信号通过负反馈元件R反馈到晶体管基极上,电路就不存在负反馈信号了,所以这是电压负反馈电路。
。 (本文来源网友上传,如有侵权,可联系管理员删除)
版权声明:网站转载的所有的文章、图片、音频视频文件等资料的版权归版权所有人所有。如果本网所选内容的文章作者及编辑认为其作品不宜公开自由传播,或不应无偿使用,请及时联络我们,采取适当措施,避免给双方造成不必要的经济损失。