声控闪光灯电路图(一)
电路主要由捡音器(驻极体电容器话筒),晶体管放大器和发光二极管等构成。
电路原理
静态时,VT1处于临界饱和状态,使VT2截止,LED1和LED2皆不发光,R1给电容话筒MIC提供偏置电流,话筒捡取室内环境中的声波信号后即转为相应的电信号,经电容C1送到VT1的基极进行放大,VT1、VT2组成两级直接耦合放大电路,只要选取合适的R2、R3使无声波信号。VT1处于临界饱和状态,而以使VT处于截止状态,两只LED中无电流流过而不发光,当MIC捡取声波信号后,就有音频信号注入VT1的基极,其信号的负半周使VT1退出饱和状态,VT1的集电极电压上升。VT2导通,LED1和LED2点亮发光,当输入音频信号较弱时,不足以使VT1退出饱和状态,LED1和LED2仍保持熄灭状态,只有较强信号输入时,以光二极管才点亮发光,所以,LED1和LED2能随着环境声音(如音乐、说话)信号的强弱起伏而闪烁发光。

组装与调试:
1、按原理图画出装配图,然后按装配图进行装配。
2、注意三极管的极性不能接错,元件排列整齐、美观。
3、通电后先测VT的集电极电压,使其在0.2~0.4之间,如果该电压太低则施加声音信号后,VT1不能退出饱和状态,VT2则不能导通,如果该电压超过VT2的死区电压,则静态时VT2就导通,使LED1和LED2点亮发光,所以。对于灵敏度不同的电容话筒,以及β值不同的三极管,VT1的集电极电阻R3的大小要通过调试来确定。
4、离话筒约0.5米距离,用普通声音(音量适中)讲话时,LED1、LED2应随声音闪烁。如需大声说话时,发光管才闪烁发光,可适当减小R3的阻值,也可更换β值更大的三极管。
声控闪光灯电路图(二)
高压闪光灯是经振荡电路与升压变压器产生高电压,由大电容器储存能量,在需要的瞬间释放并感应出高压,激发惰性气体发出脉冲光源,从而获得极强的瞬时功率的。图1是一个闪光灯的原型,该闪光灯是由一个充满氙气的玻璃罩构成的,其负极和正极全都浸入在氙气内,而触发极与灯表面相连,没有浸没在氙气内。

图1 闪光灯的原型
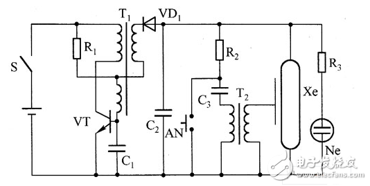
当氙气的阻抗值降到一个很低的数值时,一股强大的电流从正极流至负极,产生很强的可见光。完成这项功能的是触发极,它会产生一个很高的峰值电压(几千伏),从而使氙气被离子化,并进入低阻抗状态。目前常用的闪光灯电路大多是高压闪光灯电路,它由振荡电路、升压变压器、储能大电容器、高压线圈、惰性气体闪光灯组成,典型电路图如图2所示。

图2 典型的高压闪光灯电路图
闪光灯的输出光线很强,覆盖面很广。闪光灯的色温大约为5500~6000K,十分接近自然光的色温,所以无须彩色校正。另外,因为输出光线需用很高的电能(在阳极上需要几百伏),所以把电池电压提高到闪光灯所需的电压需要一些时间。
通常情况下s两次连续闪光的间隔在1~5s之间s时间长短取决于输入功率、电容、充电电路特性和所需电能。闪光灯只能是脉冲式的,所以它是一个很好的照相辅助光源解决方案,但不适合应用于运动图像的摄像。
此外,氙气闪光灯管及其相关的驱动电子组件会占用很大的空间,而移动电话的可用空间十分有限。而且因为点燃氙气、提供正确的能量,以及保证光输出都需要很高的电压,都需要一个精确的成本昂贵的驱动器,这些因素都限制了高压闪光灯在移动电话上的应用。
声控闪光灯电路图(三)
顺序闪光的交流闪光灯电路如下图所示:

。 (本文来源网友上传,如有侵权,可联系管理员删除)
版权声明:网站转载的所有的文章、图片、音频视频文件等资料的版权归版权所有人所有。如果本网所选内容的文章作者及编辑认为其作品不宜公开自由传播,或不应无偿使用,请及时联络我们,采取适当措施,避免给双方造成不必要的经济损失。